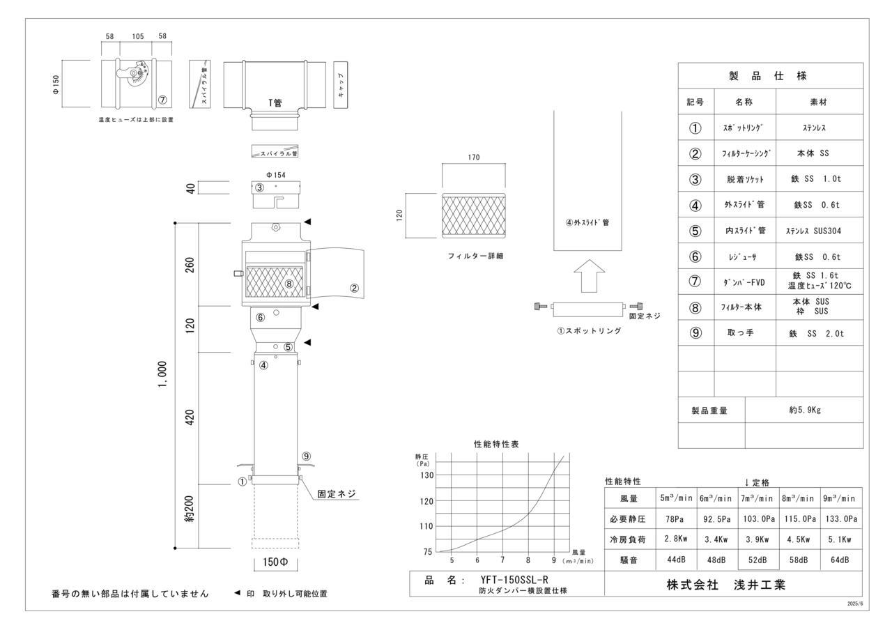
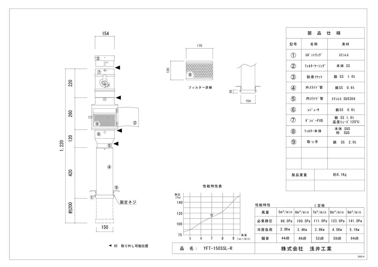
YFT-150SSL-R
設置位置図

YFT-150SSL-R
防火ダンパー横排気仕様

CADデータの利用について、ご注意とおことわり
弊社製品のCADデータのご利用にあたり、以下の注意事項をご確認ください

  • 当ホームページよりダウンロードしたCADデータの著作権および所有権は株式会社浅井工業に帰属します。
  • CADデータは、弊社製品の仕様および寸法の一致を保証するものではありません。
  • CADデータをパースの作成または仕様確認以外の目的で利用することはご遠慮ください。
  • CADデータを無断で複製、改ざん、転載、販売、譲渡することは固くお断りさせていただきます。
  • CADデータの内容は、品質の改良および仕様変更により予告なく変更することがあります。
  • CADデータのご利用時に生じた損失および損害につきまして、弊社は一切の責任を負いません。
  • CADデータはあくまでも設計検討用としてお使いください。

焼肉フード販売 全国発送 製造直売 日本製 家庭用焼肉フード ダイニングフード 上引きフード    排気フード販売 業務用エアコン 空調設備 換気 排気 排煙フード ファン修理 ダクト工事      メンテナンスは株式会社浅井工業(神戸市長田区)におまかせください。

豊富な経験と安心価格で施工いたします。
工事エリアは近畿、四国 (一部除く)

お気軽に
お問合せください

お電話でのお問合せ・相談予約

0120-898-802

<営業時間>
9:00~17:00
※土日祝日は除く

⇩各依頼書PDF⇩

     温度ヒューズもこちら

株式会社 浅井工業

住所

〒653-0022
兵庫県神戸市長田区東尻池町
4丁目3番9号

営業時間

9:00~17:00

定休日

土日祝日

    業務用はこちら   
 家庭用はこちら 
 ダクト火災を防ぐために 
取り付け方の動画掲載中!

最新焼肉フードカタログ